Opis produktu:    
  Parametry produktu motoreduktora pneumatycznego AMC7:  
  Moc: 7KW, moc: 9,3 KM, moment obrotowy: 24,6 Nm, prędkość swobodna: 4100 obr./min, zużycie powietrza: 5520 l/min, waga: 45 kg (różne metody instalacji, różne ciężary), dostępne są trzy metody instalacji: pionowa, pozioma, typu tarczowego , opcjonalnie ręczny zawór sterujący, hamulec, reduktor, sterownik. 
     Funkcje standardowe:    
  Stosowanie sprężonego powietrza jako źródła zasilania jest bezpieczne i przeciwwybuchowe. Produkt posiada certyfikat przeciwwybuchowości i spełnia krajowe normy bezpieczeństwa. Wysoka prędkość i wysoki moment obrotowy nie spalą się z powodu przeciążenia. Prędkość jest regulowana bezstopniowo. Zawór sterujący służy do przełączania uruchamiania, regulacji i zatrzymywania, a kierunek jazdy do przodu i do tyłu można natychmiast odwrócić. Silnik jest zaprojektowany jako całość i może być używany w zapylonym, wilgotnym i trudnym środowisku. Jest szeroko stosowany w przemyśle chemicznym, półprzewodnikach, kryształach, petrochemii, technologii biochemicznej, fabrykach farb, maszynach zautomatyzowanych i innych gałęziach przemysłu. 
     Środowisko pracy:    
  Płyn: Sprężone powietrze  
  Przy użyciu ciśnienia: 5 kg/cm     2    (70 psi)  
  Maksymalne ciśnienie robocze: 6 kg/cm     2    (85 psi)  
  Temperatura otoczenia: -10°C ~ 70°C (można używać tylko w stanie niezamarzającym)  
  Olej smarowy: IS0VG32 lub podobny. (Konieczne jest dodanie oleju w formie mgły olejowej, 2~3 krople na minutę).  
  Ciągłe użytkowanie: Tak (nie można pracować w sposób ciągły bez obciążenia).  
  Zalecana prędkość: (0,3~1) x maksymalna prędkość wyjściowa. 
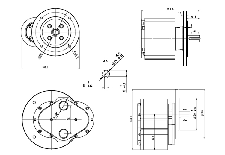
Szczegółowe parametry
| Model | Ciśnienie robocze (Mpa) | Moc | Prędkość | Moment obrotowy | Zużycie powietrza | Obrót | Waga (kg) | Rozmiar węża wejściowego (mm). | |||||
| Darmowa prędkość | U Maks. HP | Maks. moment obrotowy | |||||||||||
| HP | KW | obr./min | Nm | Ibf. stopy | L/MIN | CFM | Pionowy | Poziomy | |||||
| AMC7 | 0.4 | 2 | 4.5 | 3700 | 2500 | 17 | 12.5 | 3970 | 140.2 | Dwukierunkowy | 45 | 45 | 35 | 
| 0.5 | 2.6 | 6.5 | 3900 | 2750 | 22.5. | 16.6 | 5220 | 184.3 | |||||
| 0.6 | 9.3 | 7 | 4100 | 3100 | 24.6 | 18.2 | 5520 | 194.9 | |||||
| 0.7 | 5.46 | 9 | 4200 | 3200 | 26.8 | 19.8 | 5880 | 207.6 | |||||
Schematyczny widok z góry:
  
 
Schemat podziału produktu:
         
      
| NIE. | Nazwa | Ilość | NIE. | Nazwa | Ilość | 
| 1 | Obudowa silnika | 1 | 11 | Śruba z gniazdem sześciokątnym | 4 | 
| 2 | Tylna pokrywa silnika | 1 | 12 | Śruba z gniazdem sześciokątnym | 8 | 
| 3 | Przekładnia podrzędna silnika | 1 | 13 | Śruba ustalająca z płaską końcówką | 2 | 
| 4 | Główna przekładnia silnika | 1 | 14 | Śruba z gniazdem sześciokątnym i łbem cylindrycznym | 4 | 
| 5 | Okrągły kołnierz | 1 | 15 | Okrągła nakrętka | 4 | 
| 6 | Przednia okładka | 1 | 16 | Nasmarować uszczelkę | 1 | 
| 7 | Wspólny pierścień | 2 | 17 | Łożysko kulkowe zwykłe | 2 | 
| 8 | O-ringi | 2 | 18 | Łożysko kulkowe zwykłe | 2 | 
| 9 | Podkładka sprężysta | 4 | 19 | Prosta szpilka | 2 | 
| 10 | Podkładka sprężysta | 8 | 

In modern industrial production systems, the performance of power units directly determines the efficiency and stability of production processes. As a drive device using compressed air as its core ...
Zobacz więcejIn modern industry, the choice of power transmission equipment directly impacts production efficiency and operational stability. As a drive device powered by compressed air, the positive di...
Zobacz więcejNa Rozległej Arenie terazoczesnej ProdukCji Przysłoweej wyposażerie Podnosenia Jest Niezbędnym „Bohaterem Zakulisowym”, Po Cichu WspierająCym Połynne Dzialanie ruski różnych ProcesOw Produkcyjnych....
Zobacz więcejPozostań w kontakcie